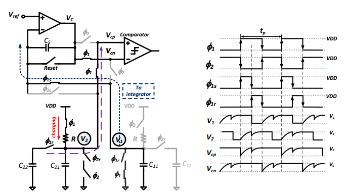
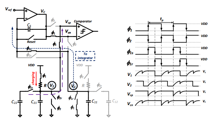
该振荡器可以认为是使用离散积分器的 VAF-Oscillator,且只使用一个比较器。
相比 Relaxation-OSC-VAF-14MHz 这篇,最大的创新点在于使用了离散积分器,并简化到了一个比较器;

具体的工作流程如下
Φ1相位:首先C21充电到比较器反转,实现前1/4时钟Φ1s,该时钟同时用于将C11的时钟采积到积分器中;之后接通C22再次充电至比较器反转,实现后1/4时钟Φ1r,该时钟同时用于C11的复位。

Φ2相位:首先C11充电到比较器反转,实现前1/4时钟Φ2s,该时钟同时用于将C21的时钟采积到积分器中;之后接通C12再次充电至比较器反转,实现后1/4时钟Φ2r,该时钟同时用于C21的复位。

关于 chop 问题,这里Φ1相位 0-1-0-1 中的头和尾,分别是Φ2相位的尾和头,彼此是一致的;论文中说这里的 chop 可以消除比较器的 offset,机制与 Relaxation-OSC-Comparator-Offset-Cancellation 一致。确实如此,但是没有意义,因为比较器在积分器后面,积分器的高增益将比较器的 offset & tdelay 一起抑制了。
暂时不理解的问题是,C12/C22不复位吗,上面的电荷始终存在吗?(感觉论文里的图大概率是错的)
实际的设计
新的设计方法
| C1-Charge-0.8fF | C1-Int-A-0.2fF | C1-Int-B-0.2fF | C2-Charge-0.8fF | C2-Int-A-0.2fF | C2-Int-B-0.2fF | 16M-CLK | 8M | |
|---|---|---|---|---|---|---|---|---|
| 1 | R | 积分 | R | 充电 | R | 充电 | 0 (C2+B2) | 1 |
| 2 | 充电 | R | 充电 | R | R | 积分 | 1 (C1+B1) | 0 |
| 3 | R | R | 积分 | 充电 | 充电 | R | 0 (C2+A2) | 0 |
| 4 | 充电 | 充电 | R | R | 积分 | R | 1(C1+A1) | 1 |
8M时钟二分频后的占空比问题,其中80%的的部分是相同的,20%不同的,预估器件1%的Mismatch,则最终的占空比为 0.2%