Pierce 振荡器,通过积分保持的 Envelope Detector 获取 XTAL2(Drain)的 Amplitude,再通过两个 OPA Voltage to Current 负反馈控制 Pierce 振荡器的偏置电流,从而控制摆幅;
来源于芯片上的 ZTAT 基准电流源,产生偏置电路
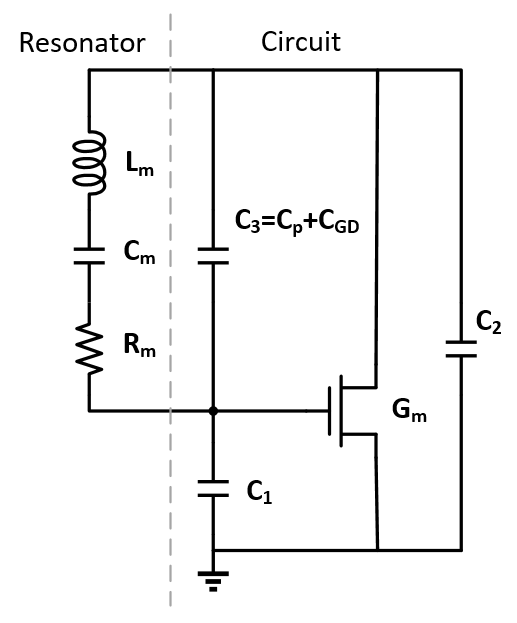
¶ Working Frequency and Critical Gm

f≈⎝⎜⎜⎜⎜⎜⎛1+2(C1+C2C1C2+(Cp+CGD))Cm⎠⎟⎟⎟⎟⎟⎞2πLmCm1
这里的 Cs 是 C1 和 C2 的串联,C3 是 Cp 和 CGD 的并联,Q 是RLC串联品质因数 Lm/Cm/Rm
Gmcrit0=QCm2πfC1C2(1+CsC3)2
也有一个更简单更实用的表达式,来自于 ST-AN2867-Application-Notes,指导手册中表示需要涉及到5倍的裕量可以可靠起振
Gmcrit0=4Rm(2πf)2(Cs+C3)2
通过搜索 无源晶体 的数据手册,我们可以得到以下信息
| PART |
Lm |
Cm |
Rm |
Cp (Shunt) |
Load C1,2 |
DL |
| 杨兴 |
|
|
120Ω Max |
7pF Max |
20pF |
500uW Max |
| 杭晶 |
|
|
200Ω Max |
7pF Max |
20pF |
500uW Max |
| 华昕 |
|
|
80Ω |
|
20pF |
350uW Max |
分析以上参数,我们可以算出 Gmcrit0
Gmcrit0=4×200Ω×(2π×16MHz)2×(10pf+7pF+1pF)=247uS