¶ BJT based Bandgap
基于 BJT 的 Bandgap,性能较好的是 Brokaw 结构

基本的 IV 公式如下
IC=IS[exp(VtVBE)−1](1+VAVCE)
具有正温度系数和负温度系数,两者实现抵消
⎩⎪⎪⎪⎪⎨⎪⎪⎪⎪⎧ΔVBEVBE(T)=qkTln(I1I2)=Vg0−TrT[Vg0−VBE(Tr)]−(η−1)qKTln(TrT)
涉及到的常量如下:
⎩⎪⎪⎪⎪⎪⎪⎪⎪⎪⎪⎪⎪⎪⎪⎪⎪⎨⎪⎪⎪⎪⎪⎪⎪⎪⎪⎪⎪⎪⎪⎪⎪⎪⎧k=1.38×10−23q=1.6×10−16Vg0=1170mVTr=300KVBE(Tr)=650mVη=3.6
ΔVBE 的温度系数是 0.08625 mV/K,VBE 的温度系数是 −1.5mV/K,如果正负温度抵消的话,要求 ln(8)×Ratio=17.4,在常温下,抵消完成恰好就是1.2V左右;
- 这里的 Ratio 需要依靠放大器和电阻网络,构成一个 8.7 倍左右的放大倍数,这个放大过程同时也将器件的非理想因素放大,比如 noise/mismatch;
- 这里的 ln(8) 本质是 BJT 的电流密度之比,电流密度太低,会被 Leakage Current 主导;电流密度太大,会被大注入效应主导。更重要的原因,ln函数的效率太低了,例如 ln(8)=2,ln(25)=3
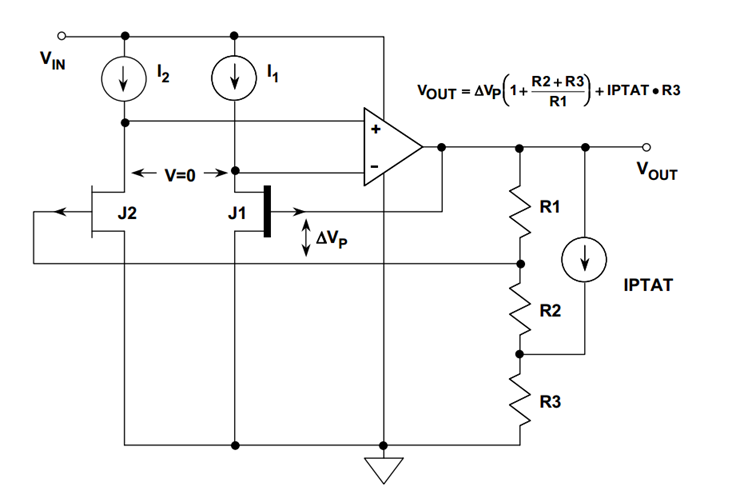
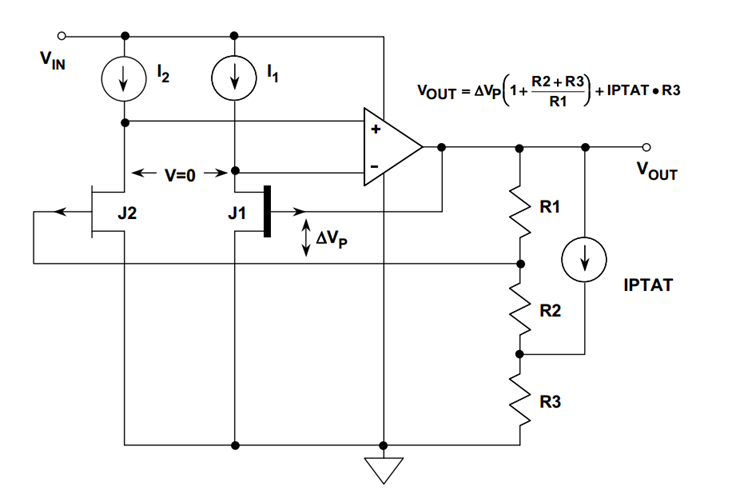
如果改变 gate 的摻杂浓度,就可以改变 Pinch-off 电压,在左边这个电路下,可以提取出 ΔVP
- 这个 ΔVP 的温度系数将只受到硅电介常数的影响,在-55°C - 150°C 范围内的 TC=117ppm/K,58.5uV/°C;其二阶项仅有 3ppm/K;
- 我们做出一个 ln(8) 的 ΔVBE,+180uV/°C,我们用这个 PTAT 项去补偿;相比 BJT 架构的倍增,这里是衰减;
- 同时,JFET 本身是体器件,Filker 噪声非常低

VP=a22ϵqNa(1+NdNa)−Ψ0
这里 a 是 channel Thickness;Na 和 Nd 是 Channel 和 Gate 的 Doping Density;q 是 electron charge;Ψ0 是 junction built in potential;Ψ0 是 dielectric constant of silicon;
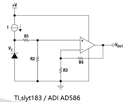
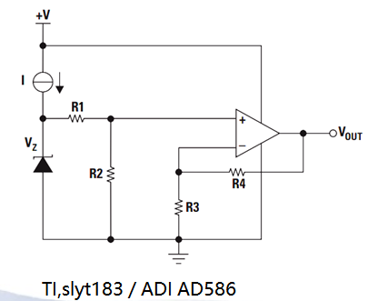
基本的结构如下,Zener 管可以直接用来当作基准信号,经过 Buffer 输出,但是其具有较大的击穿电压(>7.5V),所以不适用低电源电压的场景

Zener Diode 是通过高摻杂的PN结,实现较薄的depletion区,在高压下实现可控可恢复的击穿;相比 Surface Zener, Burred Zener 极大减少表面杂志缺陷的影响,具有更优秀的 LTD, Thermal Hysteresis, Noise

Zener 具有如下两种物理效应:
- Zener effect: carrier emission caused by electric-field intensity, CTAT
- Avalanche Multiplication: carrier multiplication due to ionising collisions, PTAT

Dynamic Resistance 也是 Zener Reference 必须考虑的问题,所以 Zener Based Reference 必须非常好地控 Bias Current(或者应用电阻桥等TRIM手段),可以观察到在6V左右 Dynamic Resistance 的 Sensitivity 最小,而这个区域正好是 Avalanche 主导区域,因此制作出的 Zener 是正温度系数,大约是 +1.5mV/°C,正好能与 VBE 的 -1.5mV/°C 实现抵消;
R.H. MUPPHY, The zener Diode - an Accurate Voltage reference source
现在的方式,并不是通过叠加一个 CTAT (有较大 Curvature) 的 VBE,而是减去一个 +TC 且线性的 ΔVBE,并不需要放大器与反馈网络去倍增,也不需要夸张地拉大电流密度比例,利用本来就有的缺点(高VDD),只需要堆叠Stack 串联即可实现

2018, ADI, Viorel Bucur, A Zener-Based Voltage Reference.....
4×ln(n)×Vt
- 三路电流镜像相等,Qp1-Qp3, Qn7-Qn6
- Vb = Qn3+Qn2+Qn1+Qp2,Va = Qn6+Qn5+Qn4+Qp3
| SPEC |
BJT/Bandgap |
|
Zener-Based |
|
|
JFET |
| PART |
ADR3650 |
SGM4020 |
ADR1001 |
AD586 |
GM7402 |
ADR42x/ADR43x/ADR44x |
| VOUT |
2.5~5.0 |
1.25~5 |
6.62 |
5 |
2.048 |
2.0~5.0V |
| 0.1~10Hz Noise |
7.5uV p-p |
6uV p-p |
0.6uV p-p |
4uV p-p |
2.6uV p-p |
1uV p-p |
| TC |
3ppm max |
5ppm max |
0.2ppm |
10ppm max |
1.5ppm max |
3ppm max |
| LTD 1000 hours |
140ppm |
50ppm |
-5ppm |
15ppm |
30ppm |
40~50ppm |
| Thermal HYS |
7ppm/15ppm |
170ppm |
1ppm (Core) |
- |
50ppm |
20/40/70ppm |
| Power |
70uA |
66uA |
2.4mA+Oven+Zener |
2mA |
1.1mA |
低压低功耗 |
LTC1000, 1986, TC=0.05ppm,Vzener +Vbe + 恒温控制