
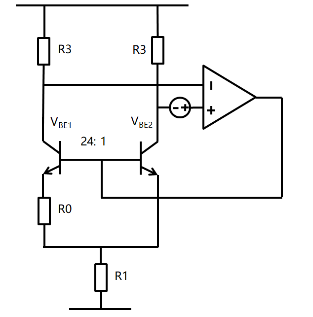
基本的BJT公式可得
VBE1=VTln(nIsIC1)
VBE2=VTln(IsIC2)
IC2=R1IC1R1+VOS=IC1+R1VOS
根据放大器输入端电压相等,可得
VTln(8IsIC1)+IC1R0=VTln⎝⎜⎜⎜⎛IsR1IC1R1+VOS⎠⎟⎟⎟⎞+VOS
IC1R0=VTln⎝⎜⎜⎜⎛IsR1IC1R1+VOS ⋅IC18Is⎠⎟⎟⎟⎞+VOS=VTln(8)+VTln(1+IC1R1VOS)+VOS
求解IC1然后从该之路求解
IC1=R0VTln(8)+R0VTln(1+I1R1VOS)+R0VOS
VBG = VBE1 + IC1(R0+R1+2R2) + (IC2−IC1)R2
VBG=VBE1+VTln(8)R0R0+R1+2R2+VTln(1+I1R1VOS)R0R0+R1+2R2+VOSR0R0+R1+2R2+VOSR1R2
IC2=R0VTln(8)+R0VTln(1+I1R1VOS)+R0VOS+R1VOS
VBG = VBE2 + IC1(R1+2R2) + (IC2−IC1)(R1+R2)
VBG=VBE2+VTln(8)R0R1+2R2+VTln(1+I1R1VOS)R0R1+2R2+VOSR0R0+R1+2R2+VOSR1R2

直观分析:n越大,为了电压温度持平,R0就可以越大,此时反馈回输入电压越大。
可知BJT小信号模型下,BJT的正向导通阻抗仅与电流有关
rd=gm1=ICVT=r0VTln(n)VT=ln(n)r0
R2下面的电阻,可以看成是两个电阻的并联
rb=(rd+r0+r11+rd+r11)1=r0+2r1+2rd(r1+rd)(r0+r1+rd)
假设满足调平后
rt = 2r2 + r1 = αr0
r1 = αr0 − 2r2
r2=2(αr0−r1)
反馈路径
βn=rb+r2rbrd+r0+r1r0+rd
βp=rb+r2rbrd+r1rd
整体的反馈系数
β1=βn−βp1=Log[n]2(αr0−2r2)(1+αLog[n])(1+(1+α)Log[n])r0−Log[n](2+Log[n]+2αLog[n])r2
=Log[n]2(αr0−2r2)r0+Log[n](αr0−2r2)αr0+(1+α)r0−2r2+αr0−2r2α(1+α)r0−r2−2αr2
=Log[n]21r1r0+Log[n]1(1−αr02r21+α1+1)+α+1+r1r2
ClearAll["Global`*"]
r2=r2;r0=r0;n=n;
α=α;
r1=α*r0-2*r2;
rd=r0/Log[n];
rb=(rd+r0+r1)*(rd+r1)/(rd+r0+r1+rd+r1);
βn=rb/(rb+r2)*(r0+rd)/(rd+r0+r1);
βp=rb/(rb+r2)*rd/(rd+r1);
β=βn-βp;
a=FullSimplify[1/β,Assumptions->{r0,r2,n,α}∈Integers]
b=Collect[a, Log[n]]
这种结构虽然噪声小,但是VCE、VCB的电压变化很大,受厄利电压和的漏电影响大。论文认为是Collector端到Sub的漏电。



计算思路,
- 先计算输入两条之路总的gmt对Vout产生的电流
- 计算电流的分流
- 计算左边之路电流在R0上产生的电压,其实也就是两个BJT的ΔV
- 将这个电压差转换为IC电流,然后乘以R3就是等效的反馈电压Vind
Vout⋅1+gmtR1gmt⋅gm1+gm2gm1⋅R0⋅gm⋅R3=Vind
βsystem=VoutVind=1+gmtR1gmt⋅gm1+gm2gm1⋅R0⋅gm1⋅R3
这里,gmt=gm1+gm2,注意gm=Ic/vbe,而gme=IE/vbe,这就需要考虑β对BJT的影响了。
gm1=1+gmeR0gme, gm2=gme, gme=(1+βBJT1)gm
代入
βsystem=β2+(β+1)gm(R0(β+(β+1)R1gm)+2βR1)β(β+1)R0R3gm2
βsystem=gm(R0(R1gm+1)+2R1)+1R0R3gm2
ClearAll["Global`*"]
(*\[Beta]=2;
Subscript[g,m]=215*10^-6;
Subscript[R,3]=100*10^3;
Subscript[R,0]=10*10^3;
Subscript[R,1]=31.75*10^3;*)
Subscript[g, me] = Subscript[g, m]*(1 + 1/\[Beta]);
Subscript[g, m1] =
Subscript[g, me]/(1 + Subscript[g, me]*Subscript[R, 0]);
Subscript[g, m2] = Subscript[g, me];
Subscript[g, mt] = Subscript[g, m1] + Subscript[g, m2];
ans = Subscript[g, mt]/(1 + Subscript[g, mt]*Subscript[R, 1])*
Subscript[g, m1]/(Subscript[g, m1] + Subscript[g, m2])*
Subscript[R, 0]*Subscript[g, m]*Subscript[R, 3]
ans = FullSimplify[ans,
Assumptions -> {Subscript[g, m], Subscript[R, 3], Subscript[R, 0],
Subscript[R, 1], \[Beta]} > 0]
ans = Series[ans, \[Beta] -> Infinity]