参考文献:Klaas-Jan de Langen, Johan H. Huijsing, 1998, [JSSC] Compact Low-Voltage Power-Efficient-Operational Amplifier Cells for VLSI
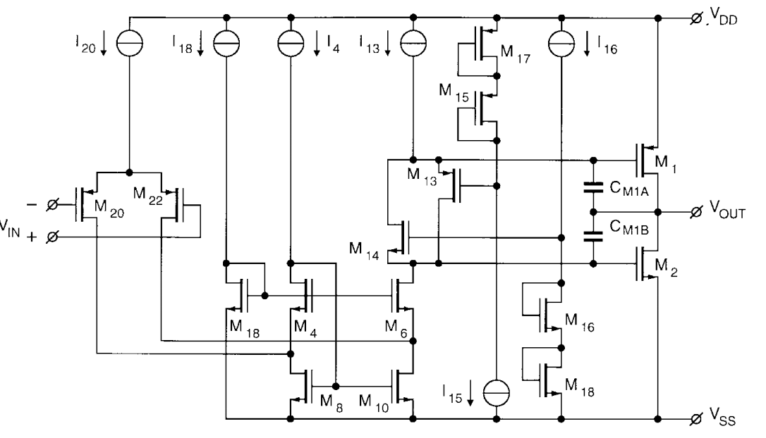
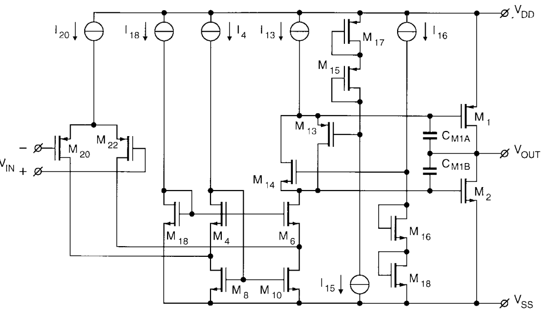
传统的 ClassAB 使用跨导线性环,如下图所示,最主要的问题在于对电源的要求,这要求电源至少得满足 2Vgs+Vdsat

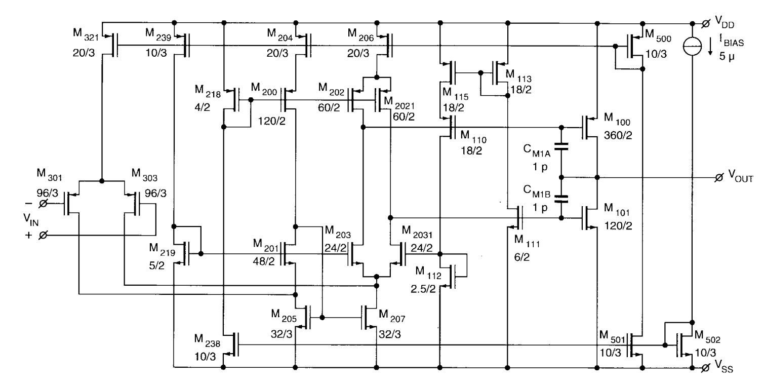
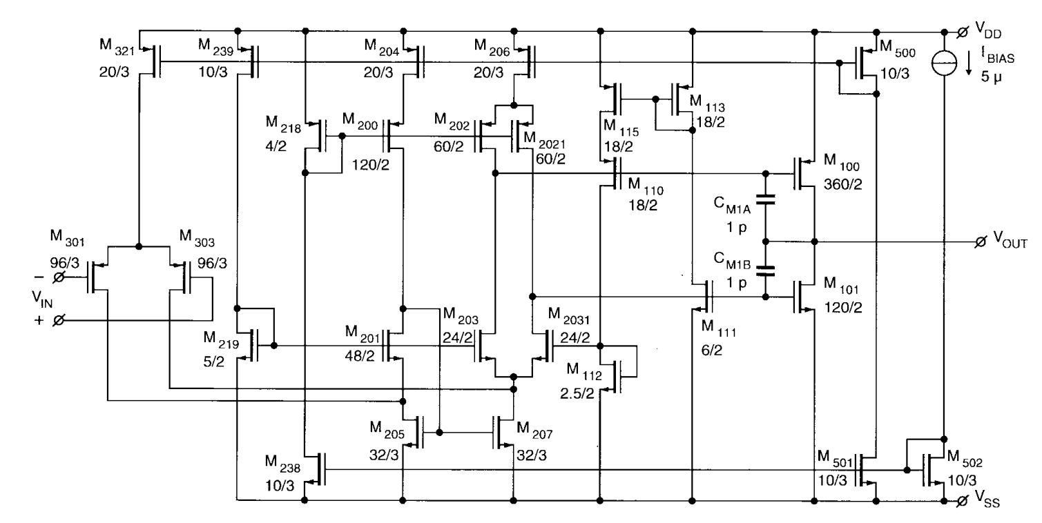
一个低压实现方案如下,基本思想是:输出级的 NMOS 和 PMOS,我们只去控制其电流最小的那一个。电路的基本构成,M301,M303是输入级;M204, M206向下是 Folded Cascode 的负载级;M100, M101 是输出级;M203, M2031M, M202, M2021 是 Mesh ClassAB Bias
重头戏是分析其 ClassAB 偏置的实现方式:M111用来镜像获取输出NMOS M101的电流;M110用来获取M100输出PMOS M100的电流;分情况来讨论:

其它需要注意关注的是这里的 ClassAB 是个环路,需要考虑环路稳定性的问题,不过整体问题应该不大,主极点应该还是 M111/M110 的 gm/CM 之类的东西;