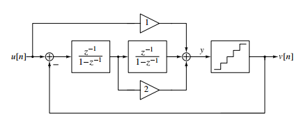
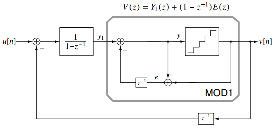
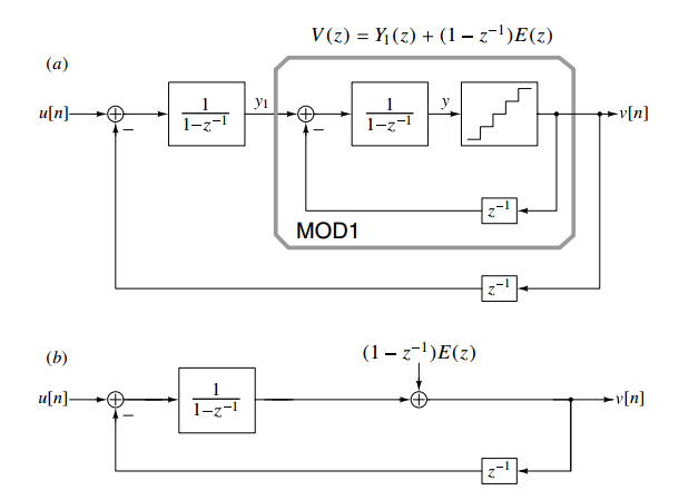
在MOD1的基础上,
V ( z ) = U ( z ) + ( 1 − z − 1 ) E ( z ) V(z)=U(z)+(1-z^{-1})E(z)
V ( z ) = U ( z ) + ( 1 − z − 1 ) E ( z )
将Quantiser替换为一个MOD1,可以得到一个MOD2,原来的传递函数
V ( z ) = U ( z ) + ( 1 − z − 1 ) 2 E ( z ) V(z)=U(z)+(1-z^{-1})^2E(z)
V ( z ) = U ( z ) + ( 1 − z − 1 ) 2 E ( z )
将反馈的延迟环节,移动到主环路来(主通路增益不变,小环路增益不变)
此时的传递函数为
V ( z ) = z − 1 U ( z ) + ( 1 − z − 1 ) 2 E ( z ) V(z)=z^{-1}U(z)+(1-z^{-1})^2E(z)
V ( z ) = z − 1 U ( z ) + ( 1 − z − 1 ) 2 E ( z )
这样的好处,环路变得简单了一些,只需要一个延迟环节了。
接着根据帕萨瓦尔定理,可以看到MOD2噪声的总和6,而在MOD1中,总噪声是2
N T F ( z ) = 1 − 2 z − 1 + z − 2 NTF(z)=1-2z^{-1}+z^{-2}
N T F ( z ) = 1 − 2 z − 1 + z − 2
此时,噪声的传递函数的带内积分结果为
P n o i s e , l p f = 1 2 π ∫ − π O S R ⋅ T π O S R ⋅ T ∣ 1 − e − j ω T ∣ 4 d ω = π 4 5 T ⋅ O S R 5 P_{noise,lpf} = \frac{1}{2\pi}\int_{- \frac{\pi}{ {OSR\cdot T} }}^{\frac{\pi}{ {OSR\cdot T} }}\left| 1 - e^{- j\omega T} \right|^{4}d\omega = \frac{\pi^{4} }{5T\cdot{OSR}^{5} }
P n o i s e , l p f = 2 π 1 ∫ − O S R ⋅ T π O S R ⋅ T π ∣ ∣ ∣ 1 − e − j ω T ∣ ∣ ∣ 4 d ω = 5 T ⋅ O S R 5 π 4
对于一个信号幅度是M的正弦波,其信号功率为:
P s i g n a l = ( 2 2 V F u l l S c a l e 2 ) 2 = ( 2 M ) 2 8 = M 2 2 P_{signal} = \left( \frac{\sqrt{2} }{2}\frac{V_{FullScale} }{2} \right)^{2} = \frac{\left( 2M \right)^{2} }{8} = \frac{M^{2} }{2}
P s i g n a l = ( 2 2 2 V F u l l S c a l e ) 2 = 8 ( 2 M ) 2 = 2 M 2
量化器V L S B = Δ = 2 V_{LSB}=\Delta=2V L S B = Δ = 2 ,量化器的增益为1,噪声整形后剩余的功率:
I B N = V L S B 2 12 π 4 5 O S R 5 = V L S B 2 60 π ( π O S R ) 5 = 4 60 π ( π O S R ) 5 {IBN} = \frac{V_{LSB}^{2} }{12}\frac{\pi^{4} }{5{OSR}^{5} }= \frac{V_{ {LSB} }^{2} }{60\pi}\left( \frac{\pi}{OSR} \right)^{5} = \frac{4}{60\pi}\left( \frac{\pi}{OSR} \right)^{5}
I B N = 1 2 V L S B 2 5 O S R 5 π 4 = 6 0 π V L S B 2 ( O S R π ) 5 = 6 0 π 4 ( O S R π ) 5
S Q N R p e a k = M 2 2 4 60 π ( π O S R ) 5 = 15 M 2 O S R 5 2 π 4 {SQNR}_{peak}=\cfrac{\cfrac{M^{2} }{2} }{\cfrac{4}{60\pi}\left( \cfrac{\pi}{OSR} \right)^{5} } = \cfrac{15M^{2}{OSR}^{5} }{2\pi^{4} }
S Q N R p e a k = 6 0 π 4 ( O S R π ) 5 2 M 2 = 2 π 4 1 5 M 2 O S R 5
(*Mathematica 12.3*)
ClearAll["Global`*"]
(*一阶 Delta-Sigma Modulator 的传递函数,噪声的频谱密度*)
NTF = (Abs[1 - E^(-I*\[Omega]*T)])^4
(*NTF在"fS/(2*OSR)"内的积分RMS噪声*)
pnoise = (1/Pi)*
Integrate[NTF, {\[Omega], 0, Pi/(OSR*T)}, Assumptions -> OSR > 1]
(*经过近似的一阶积分噪声,与书本上推导一致*)
Series[pnoise, OSR -> Infinity]
pnoise2 = (1/Pi)*Integrate[NTF, {\[Omega], 0, Pi/(1*T)}, Assumptions -> OSR > 1]
SNR O S R + S D M 2 − S N R = 10 10 P s i g n a l P n o i s e π 4 5 O S R 5 T P s i g n a l P n o i s e = 10 10 5 O S R 5 π 4 = 10 10 5 π 4 + 50 10 O S R = 10 10 5 π 4 + 50 2 10 2 O S R = − 12.896 + 15.05 2 O S R \begin{aligned}
\text{SNR}_{OSR+SDM2}-SNR &= 10\log_{10}\dfrac{\dfrac{P_{ {signal} }}{P_{ {noise} }\dfrac{\pi^{4} }{5OSR^{5}T} }}{\dfrac{P_{ {signal} }}{P_{ {noise} }} }\\[0.8em]
&= 10\log_{10}\dfrac{5OSR^{5} }{\pi^{4} } \\[0.8em]
&=10\log_{10}\dfrac{5}{\pi^4}+50\log_{10}OSR \\[0.8em]
&=10\log_{10}\dfrac{5}{\pi^4}+\dfrac{50}{\log_210}\log_{2}OSR \\[0.8em]
&=-12.896+15.05\log_2OSR
\end{aligned}
SNR O S R + S D M 2 − S N R = 1 0 log 1 0 P n o i s e P s i g n a l P n o i s e 5 O S R 5 T π 4 P s i g n a l = 1 0 log 1 0 π 4 5 O S R 5 = 1 0 log 1 0 π 4 5 + 5 0 log 1 0 O S R = 1 0 log 1 0 π 4 5 + log 2 1 0 5 0 log 2 O S R = − 1 2 . 8 9 6 + 1 5 . 0 5 log 2 O S R
所以ENOB的效率是 2.5 × 2 O S R 2.5\times\log_2OSR2 . 5 × log 2 O S R
常用的对数公式
a b = c b c a a b c = a b + a c a b c a b + a c a b c = c a b \begin{gathered} \log_ab=\frac{\log_cb}{\log_ca} \\[0.8em] \log_abc=\log_ab+\log_ac\\[0.8em] \log_a\frac{b}{c}\log_ab+\log_ac\\[0.8em] \log_ab^c=c\log_ab\end{gathered}
log a b = log c a log c b log a b c = log a b + log a c log a c b log a b + log a c log a b c = c log a b
去观察量化器的输入信号
V ( z ) = S T F ( z ) U ( z ) + N T F ( z ) E ( z ) Y ( z ) = V ( z ) − E ( z ) = z − 1 U ( z ) + E ( z ) ( N T F ( z ) − 1 ) \begin{aligned}V(z)&=STF(z)U(z)+NTF(z)E(z)\\[0.4em] Y(z)&=V(z)−E(z)\\[0.4em]&=z^{-1}U(z)+E(z)\left(NTF(z)-1\right) \end{aligned}
V ( z ) Y ( z ) = S T F ( z ) U ( z ) + N T F ( z ) E ( z ) = V ( z ) − E ( z ) = z − 1 U ( z ) + E ( z ) ( N T F ( z ) − 1 )
研究第二项
N T F ( z ) − 1 = − 2 z − 1 + z − 2 NTF(z)−1=− 2z^{−1}+z^{−2}
N T F ( z ) − 1 = − 2 z − 1 + z − 2
其冲击响应为
h ( n ) = h ( 0 ) z 0 + h ( 1 ) z − 1 + h ( 2 ) z − 2 h(n)=h(0)z^0+h(1)z^{−1}+h(2)z^{−2}
h ( n ) = h ( 0 ) z 0 + h ( 1 ) z − 1 + h ( 2 ) z − 2
所以叠加的噪声的均方值是
( 0 2 + ( − 2 ) 2 + 1 2 ) V L S B 2 12 = 5 V L S B 2 12 \left( 0^{2} + \left( - 2 \right)^{2} + 1^{2} \right)\frac{V_{LSB}^{2} }{12} = \frac{5V_{LSB}^{2} }{12}
( 0 2 + ( − 2 ) 2 + 1 2 ) 1 2 V L S B 2 = 1 2 5 V L S B 2
这样,量化器的输入信号,是一个输入信号再加上一个5倍的量化噪声,典型图形如下。有意思的事情是,这里的标准差已经到1.29099了,但是图里看到噪声的叠加并没有像高斯噪声那样按照3σ那样分布,整体的peak2peak还是比较小的。
观察到NTF曲线,与计算不一致,2nd和3rd Harmonics是因为是quantiser的INL导致的,这个在下一节中再分析;corner 转角频率 theoretical 偏高,这导致了theoretical的PSD在低频是略低,在高频时略高。通过修正量化器增益可以让理论时仿真对应。
Understanding SDM再分析量化器增益的时候,用了一个技巧,先把v→y的传递函数定义为L1,1表示增益为1(有必要么?直接用L不行么),这样,NTF的传递函数,可以那负反馈放大器的那一套直接得出,v→y再经过量化器的k相当于放大器反馈函数,e相当于正输入端,而y属于负输入端,放大器本身的增益和传递函数为1,这样,从e→v的传递函数为
N T F 1 ( z ) = 1 1 + L 1 N T F k ( z ) = 1 1 + L k \begin{aligned}
{NTF}_{1}(z)&=\frac{1}{1+L_1} \\[0.8em]
{NTF}_{k}(z)&=\frac{1}{1+L_{k} }
\end{aligned}
N T F 1 ( z ) N T F k ( z ) = 1 + L 1 1 = 1 + L k 1
这里,把N T F k {NTF}_kN T F k 和L 1 L_1L 1 当成未知量,直接求解N T F k {NTF}_kN T F k ,确实简单了一些,这样,得到
N T F k = N T F 1 ( z ) k + ( 1 − k ) N T F 1 ( z ) ⇒ k = 0.75 ( 1 − z − 1 ) 2 1 − 0.5 z − 1 + 0.25 z − 2 {NTF}_k=\frac{ {NTF}_1(z)}{k+(1-k){NTF}_1(z)}\xRightarrow{k=0.75}\frac{ {(1-z^{-1})}^2}{1-0.5z^{-1}+0.25z^{-2} }
N T F k = k + ( 1 − k ) N T F 1 ( z ) N T F 1 ( z ) k = 0 . 7 5 1 − 0 . 5 z − 1 + 0 . 2 5 z − 2 ( 1 − z − 1 ) 2
这相当于增加了一对共轭极点。
再次分析理想的NTF,与低频输入和高频输入信号下的仿真NTF的结果:
当信号超过FS/2后,quantiser的输入y其实已经overload了,此时effective gain下降,因此噪声的抑制能力变差;
低频的输入信号,相比高频的正弦波而言,有更多的时间信号是处于较高电位的,因此overload更严重,导致SNR的下降比高频输入更差一些。
如何理解 ,当输入信号较小时,SQNR也是比较差,而在FS/2时比较一致。
Understanding SDM似乎没有分析quantiser gain对STF的影响,尝试分析如下:
[ ( U ( z ) − V ( z ) ) 1 1 − z − 1 − V ( z ) ] z − 1 1 − z − 1 k = V ( z ) \left[\Big(U(z)-V(z)\Big) \frac{1}{1-z^{-1} }-V(z)\right]\frac{z^{-1} }{1-z^{-1} } k=V(z)
[ ( U ( z ) − V ( z ) ) 1 − z − 1 1 − V ( z ) ] 1 − z − 1 z − 1 k = V ( z )
解上述方程,得到
S T F ( z ) = z − 1 k ( 1 − k ) z − 2 + ( 2 k − 2 ) z − 1 + 1 STF(z)=z^{-1}\frac{k}{(1-k)z^{-2}+(2k-2)z^{-1}+1}
S T F ( z ) = z − 1 ( 1 − k ) z − 2 + ( 2 k − 2 ) z − 1 + 1 k
当z=1时,也就是DC时
S T F ( z ) = k 1 − k + 2 k − 2 + 1 = 1 STF(z)=\frac{k}{1-k+2k-2+1}=1
S T F ( z ) = 1 − k + 2 k − 2 + 1 k = 1
对比分析,当k=0.75时,得到
S T F ( z ) = 0.75 1 − 0.5 z − 1 + 0.25 z − 2 STF(z)=\frac{0.75}{1-0.5z^{-1}+0.25z^{-2} }
S T F ( z ) = 1 − 0 . 5 z − 1 + 0 . 2 5 z − 2 0 . 7 5
这里发现STF的极点,与NTF的极点竟然时一致的。
v ‾ = k 1 y ‾ + k 3 y ‾ 3 \overline{v} = k_{1}\overline{y} + k_{3}{\overline{y} }^{3}
v = k 1 y + k 3 y 3
通过对上述环路仿真,扫描DC输入u,统计Quantizer的输入值与输出值平局之,从而确定等效增益k 1 k_1k 1 和k 3 k_3k 3 。
在此前CH1-Basic Conception CH1-Basic%20Conception.md中,确定effective gain的方法是直接对quantiser(mid-tread)的输入加载一个正弦波激励去计算投影,而现在是对整个环路加载DC增益,方法并不完全一致。个人理解:之前那样分析quantiser(mid-tread),是为了引出量化器增益的概念,最终当我们实际分析quantiser在环路中的作用时,需要对quantiser输入/输出的实际值去建模。
这里也并没有按照投影的方式去建模,而是对quantiser输入输出的平均值进行多项式拟合得到的k1和k3的系数。这是因为?
进行拟合时,modulator的扫描的输入信号DC值,而分析的谐波确是正弦波?这是因为,我们在分析一个系统的非线性时,传递函数确实就是DC-SWEEP的值拟合的结果,因为正是由于系统的传递DC输入到输出的非线性,才导致交流信号传递后频谱上观察到的谐波。这个谐波正是非线性x^3次项目,在频率上3ω的表现。以上的分析忽略的带宽的影响,这是因为DT-SDM中我们总是预设了信号在一个单位时间z − 1 z^{-1}z − 1 后完全建立了。
对于一个幅值为A的信号u,输出v仍然是一个赋值为A的信号,那么Quantizer的输入信号的幅值Amplitude应该就是
y = 1 k y=\frac{1}{k}
y = k 1
接着我们用反推输出的输入y,乘以传递函数,得到三次谐波在输出v上的表达,三次谐波Third Harmonics的传递函数为(除以A是求为了求dB值,也就是相对值)
k 3 4 ⋅ ( A k 1 ) 3 ⋅ N T F k 1 ( z ) / A = k 3 A 2 4 k 1 3 N T F k 1 ( z ) \frac{k_3}{4}\cdot{\left(\frac{A}{k_1} \right)^{3} }\cdot{NTF}_{k1}\left( z \right)/A = \frac{ {k_{3}A}^{2} }{4k_{1}^{3} }{NTF}_{k1}\left( z \right)
4 k 3 ⋅ ( k 1 A ) 3 ⋅ N T F k 1 ( z ) / A = 4 k 1 3 k 3 A 2 N T F k 1 ( z )
将z = e j ω T = e j 2 π ( 3 f ) T z=e^{jωT}=e^{j2π\left(3f\right)T}z = e j ω T = e j 2 π ( 3 f ) T ,这里T = 1 T=1T = 1 代表采样间隔,f ff 是输入信号的频率,是输入信号的三倍3 f 3f3 f ,以此去估计由于Quantizer的非线性引入的谐波失真。
频域下,为什么除了三次项系数k3,还要乘以1/4的系数,这需要利用积化和差公式
sin α ⋅ sin β = − 1 2 ( cos ( α + β ) − cos ( α − β ) ) \sin\alpha \cdot \sin\beta = - \frac{1}{2}\left( \cos\left( \alpha + \beta \right) - \cos\left( \alpha - \beta \right) \right)
sin α ⋅ sin β = − 2 1 ( cos ( α + β ) − cos ( α − β ) )
则有
sin ( ω t ) ⋅ sin ( ω t ) = − 1 2 ( cos ( 2 ω t ) − 1 ) sin ( ω t ) ⋅ sin ( ω t ) ⋅ sin ( ω t ) = − 1 2 ( sin ( 2 ω t + π 2 ) − 1 ) ⋅ sin ( ω t ) = − 1 2 sin ( 2 ω t + π 2 ) sin ( ω t ) + 1 2 sin ] ( ω t ) = 1 4 ( cos ( 2 ω t + π 2 + ω t ) − cos ( 2 ω t + π 2 − ω t ) ) + 1 2 sin ( ω t ) = 1 4 cos ( 3 ω t + π 2 ) − 1 4 cos ( ω t + π 2 ) + 1 2 sin ( ω t ) = − 1 4 sin ( 3 ω t ) + 3 4 sin ( ω t ) \begin{aligned}
\sin(ωt) \cdot \sin(ωt) &= -\frac{1}{2}\Big(\cos(2\omega t) - 1 \Big)\\[0.8em]
\sin(ωt) \cdot \sin(ωt) \cdot \sin(ωt) &= - \frac{1}{2}\Big(\sin(2\omega t + \frac{\pi}{2}) - 1 \Big)\cdot\sin(ωt)\\[0.8em]
&=-\frac{1}{2}\sin( 2\omega t + \frac{\pi}{2})\sin(ωt) + \frac{1}{2}\sin](ωt)\\[0.8em]
&= \frac{1}{4}\Big(\cos\left(2\omega t + \frac{\pi}{2} + \omega t\right) - \cos\left( 2\omega t + \frac{\pi}{2} - \omega t\right)\Big) + \frac{1}{2}\sin(ωt)
\\[0.8em]
&= \frac{1}{4}\cos\left( 3\omega t + \frac{\pi}{2} \right) - \frac{1}{4}\cos\left( \omega t + \frac{\pi}{2} \right) + \frac{1}{2}\sin(ωt)
\\[0.8em]
&= - \frac{1}{4}\sin(3\omega t) + \frac{3}{4}\sin(ωt)
\end{aligned}
sin ( ω t ) ⋅ sin ( ω t ) sin ( ω t ) ⋅ sin ( ω t ) ⋅ sin ( ω t ) = − 2 1 ( cos ( 2 ω t ) − 1 ) = − 2 1 ( sin ( 2 ω t + 2 π ) − 1 ) ⋅ sin ( ω t ) = − 2 1 sin ( 2 ω t + 2 π ) sin ( ω t ) + 2 1 sin ] ( ω t ) = 4 1 ( cos ( 2 ω t + 2 π + ω t ) − cos ( 2 ω t + 2 π − ω t ) ) + 2 1 sin ( ω t ) = 4 1 cos ( 3 ω t + 2 π ) − 4 1 cos ( ω t + 2 π ) + 2 1 sin ( ω t ) = − 4 1 sin ( 3 ω t ) + 4 3 sin ( ω t )
对上述MOD进行仿真,进行DC扫描,可以到噪声功率为
相比MOD1,MOD2对idle-tone的抵抗力更高一点(resistant),当输入接近0时,还是可以看到这个idle-tone的遗留痕迹(vestiges)。
U型的噪声形状,当输入较大时,量化器的等效增益减小,NTF函数对噪声的抑制能力减弱,因此噪声较大。在随机过程的术语,该属性使得具有大的确定性输入的MOD2的量化噪声非平稳性。 具体来说,当信号的绝对值较大时,量化噪声功率也较大,因而量化噪声的统计是时变的。(这句话什么意思?)
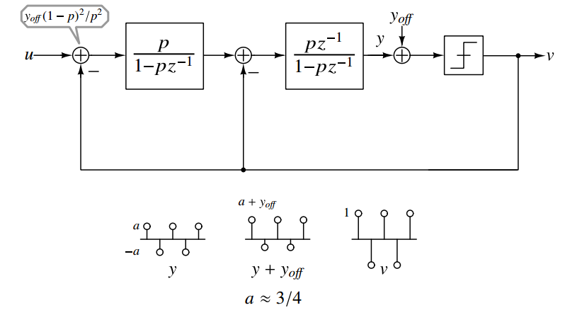
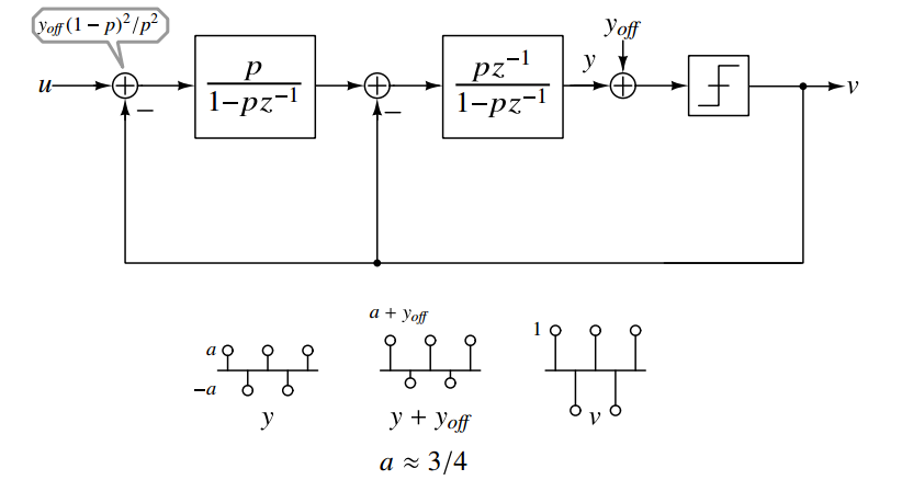
从v到y的环路滤波器的传递函数
( − v p 1 − p z − 1 − v ) p z − 1 1 − p z − 1 = y y v = − p 2 z − 1 ( 1 − p z − 1 ) 2 − p z − 1 1 − p z − 1 \begin{gathered}
\left(-v\frac{p}{1-pz^{-1} }- v\right)\frac{pz^{-1} }{1-pz^{-1} } = y\\[0.8em]
\frac{y}{v}=- \frac{p^{2}z^{-1} }{(1-pz^{-1})^{2} } - \frac{pz^{- 1} }{1-pz^{-1} }
\end{gathered}
( − v 1 − p z − 1 p − v ) 1 − p z − 1 p z − 1 = y v y = − ( 1 − p z − 1 ) 2 p 2 z − 1 − 1 − p z − 1 p z − 1
当输入u=0,输出可以看到是
v [ n ] = c o s ( π n ) z − 1 = e − j ω T ⇒ ω = π T , T = 1 e − j π = 1 cos ( − π ) + sin ( − π ) = − 1 \begin{gathered}
v[n]=cos(πn)\\[0.8em]
z^{-1} = e^{-j\omega T}\xRightarrow{\omega=\frac{\pi}{T},T=1}e^{-j\pi} = \frac{1}{\cos(-\pi)+\sin(-\pi)}=-1
\end{gathered}
v [ n ] = c o s ( π n ) z − 1 = e − j ω T ω = T π , T = 1 e − j π = cos ( − π ) + sin ( − π ) 1 = − 1
将上述结果代入传递函数
y ( n ) = ( − p 2 z − 1 ( 1 − p z − 1 ) 2 − p z − 1 1 − p z − 1 ) cos ( π n ) = p ( 1 + 2 p ) ( 1 + p ) 2 cos ( π n ) ≈ 3 4 cos ( π n ) , if p → 1 \begin{aligned}
y\left( n \right)
&= \left( - \frac{p^{2}z^{- 1} }{( 1 - pz^{- 1})^{2} } - \frac{pz^{- 1} }{1 - pz^{- 1} } \right){\cos}(πn)\\[0.8em]
&= \frac{p(1 + 2p)}{(1 + p)^2}\cos(πn) \\[0.8em]
&\approx \frac{3}{4}\cos(πn),\ \text{if}\ p \rightarrow 1
\end{aligned}
y ( n ) = ( − ( 1 − p z − 1 ) 2 p 2 z − 1 − 1 − p z − 1 p z − 1 ) cos ( π n ) = ( 1 + p ) 2 p ( 1 + 2 p ) cos ( π n ) ≈ 4 3 cos ( π n ) , if p → 1
因此,只要∣ y o f f ∣ < 3 / 4 |y_{off}|<3/4∣ y o f f ∣ < 3 / 4 ,MOD2就无法区分其与zero输入的区别
继续分析,从u到y的传递函数为:
y u = p 2 z − 1 ( 1 − p z − 1 ) 2 \frac{y}{u} = \frac{p^{2}z^{- 1} }{( 1 - pz^{- 1})^{2} }
u y = ( 1 − p z − 1 ) 2 p 2 z − 1
由于我们在计算DC信号,除以传递函数在DC处增益,从而得到输入端看到的DeadZone
z − 1 = e − j ω T ⇒ ω = 0 T , T = 1 e − j 0 = 1 cos ( − 0 ) + sin ( − 0 ) = 1 y u ∣ z − 1 = 1 = p 2 ( 1 − p ) 2 p = A ( A + 1 ) ⟺ A = 1 ( 1 − p ) \begin{gathered}
z^{- 1} = e^{- j\omega T}\xRightarrow{\omega=\frac{0}{T},T=1}e^{- j0} = \frac{1}{\cos\left( - 0 \right) + \sin\left( - 0 \right)} = 1 \\[0.8em]
\left. \frac{y}{u} \right|_{z^{-1}=1} = \frac{p^2}{(1-p)^2} \\[0.8em]
p = \frac{A}{(A+1)} \Longleftrightarrow A = \frac{1}{(1 - p)}
\end{gathered}
z − 1 = e − j ω T ω = T 0 , T = 1 e − j 0 = cos ( − 0 ) + sin ( − 0 ) 1 = 1 u y ∣ ∣ ∣ ∣ z − 1 = 1 = ( 1 − p ) 2 p 2 p = ( A + 1 ) A ⟺ A = ( 1 − p ) 1
所以,Dead Zone的输入为
∣ y o f f ∣ p 2 ( 1 − p ) 2 = 3 4 A 2 ( A A + 1 ) 2 ≈ 3 4 1 A 2 \cfrac{| y_{off}|}{\cfrac{p^{2} }{(1-p)^2} } = \cfrac{\cfrac{3}{4} }{A^2\left( \cfrac{A}{A + 1} \right)^2} \approx \cfrac{3}{4}\cfrac{1}{A^{2} }
( 1 − p ) 2 p 2 ∣ y o f f ∣ = A 2 ( A + 1 A ) 2 4 3 ≈ 4 3 A 2 1
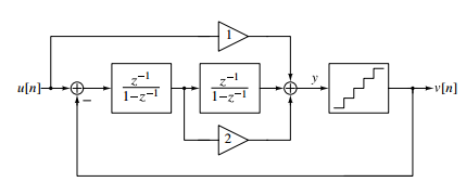
优点:Using delaying integrators is desirable because it allows the opamps in each integrator to settle independently of each other, thereby relaxing their speed requirements
缺点:需要2个DAC?
推导该结构:
S T F ( z ) = a 1 a 2 z − 2 D ( z ) N T F ( z ) = ( 1 − z − 1 ) 2 D ( z ) D ( z ) = ( 1 − z − 1 ) 2 + a 2 b z − 1 ( 1 − z − 1 ) + a 1 a 2 z − 2 \begin{aligned}
STF(z)&=\frac{a_1a_2z^{-2} }{D(z)} \\[0.8em]
NTF(z)&=\frac{(1-z^{-1})^{2} }{D(z)}\\[0.8em]
D(z)&=(1-z^{-1})^2+a_2bz^{-1}(1-z^{-1})+a_1a_2z^{-2}
\end{aligned}
S T F ( z ) N T F ( z ) D ( z ) = D ( z ) a 1 a 2 z − 2 = D ( z ) ( 1 − z − 1 ) 2 = ( 1 − z − 1 ) 2 + a 2 b z − 1 ( 1 − z − 1 ) + a 1 a 2 z − 2
可以选择a1=a2=1, b=2,也可以选择a1=0.5, a2=2, b=1
这个结构是前馈的结构,只需要1个反馈节点,但是需要一个求和器。
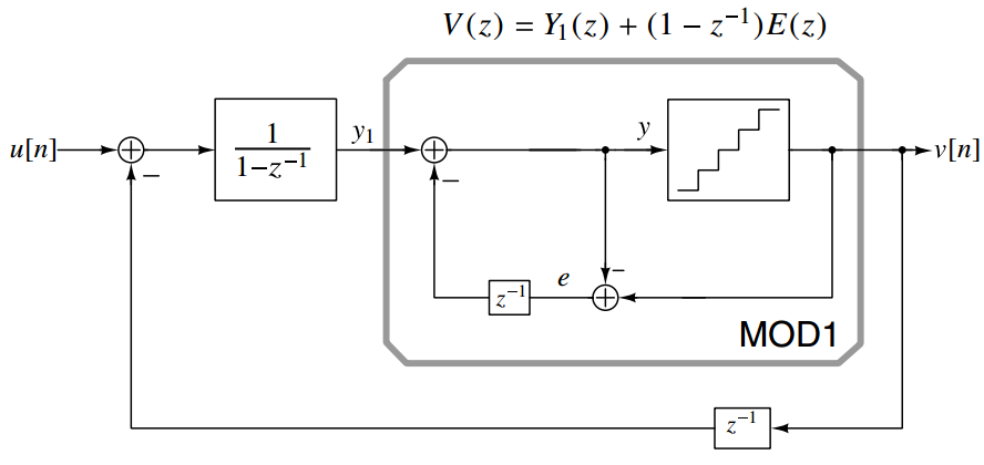
V ( z ) = U ( z ) + ( 1 − z − 1 ) 2 E ( z ) V(z)=U(z)+(1-z^{-1})^2E(z)
V ( z ) = U ( z ) + ( 1 − z − 1 ) 2 E ( z )
他的好处在于环路输入只有量化噪声,没有信号源,因为只有一个反馈节点,这个反馈节点的输入信号为
U ( z ) − V ( z ) = − ( 1 − z − 1 ) 2 E ( z ) U(z)-V(z)=-(1-z^{-1})^2E(z)
U ( z ) − V ( z ) = − ( 1 − z − 1 ) 2 E ( z )
且第二季积分器的输出信号等于
I N T 2 = − z − 2 E ( z ) {INT}_2=-z^{-2}E(z)
I N T 2 = − z − 2 E ( z )
传递函数,顺着信号流,可以直接写出
V ( z ) = U ( z ) + E ( z ) + H f ( z ) E ( z ) {V(z)}=U(z)+E(z)+H_f(z)E(z)
V ( z ) = U ( z ) + E ( z ) + H f ( z ) E ( z )
为了得到2阶差分的NTF表达式,
H f ( z ) = ( 1 − z − 1 ) 2 − 1 = z − 2 − 2 z − 1 H_f(z)={(1-z^{-1})}^2-1=z^{-2}-2z^{-1}
H f ( z ) = ( 1 − z − 1 ) 2 − 1 = z − 2 − 2 z − 1
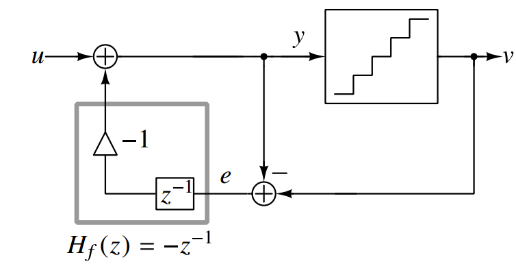
而实线框中确实是这样的结构,这种结构不适合模拟电路的实现,看似很简单但非常受限于模拟减法的实现精度,可以用一阶的结构做简单分析
如果v-y的误差有1%,则v-y的传递函数为
V ( z ) − Y ( z ) = 1.01 E ( z ) V(z)-Y(z)=1.01E(z)
V ( z ) − Y ( z ) = 1 . 0 1 E ( z )
那么整体的传递函数为
V ( z ) = U ( z ) + E ( z ) − 1.01 z − 1 E ( z ) = U ( z ) + ( 1 − z − 1 ) E ( z ) − 0.01 z − 1 E ( z ) \begin{aligned}V(z)&=U(z)+E(z)-1.01z^{-1}E(z)\\[0.8em]&=U(z)+(1-z^{-1})E(z)-0.01z^{-1}E(z)\end{aligned}
V ( z ) = U ( z ) + E ( z ) − 1 . 0 1 z − 1 E ( z ) = U ( z ) + ( 1 − z − 1 ) E ( z ) − 0 . 0 1 z − 1 E ( z )
低频时,也就是z^-1→1时,最后还是有0.01的E(z)残留下来,这相当于40dB。40/(6.02/2)=13? 原理理解,但是这个具体数,没有推导出来?
At very low frequencies, instead of 0, the magnitude of e will then equal 0.01, or 40 dB. Hence, even with careful analog design, the achievable ENOB will typically be less than 12 bits for ADCs with a single-bit quantizer, even for OSR≈1000. By contrast, comparable parameter changes still allow 15-bit resolution for the structure of MOD1 at OSR≈1000. The error-feedback structure is thus of limited utility in ADCs – however, it has found favor in noise-coupled ADCs.
把一个一阶的error-feedback的结构,替换掉MOD1的quantizer,得到noise-coupled structure
之前分析由于减法器的误差,在这个结构中被第一级积分器所抑制,因此更加robust。他的优点是结构简单,实现了额外的噪声抑制阶数。
如图在MOD2的基础上,增加了两条前馈路径,这样在STF函数上增加了零点,有了免费的FIR滤波器
S T F ( z ) = b 1 + b 2 ( 1 − z − 1 ) + b 3 ( 1 − z − 1 ) 2 STF(z)=b_1+b_2(1-z^{-1})+b_3(1-z^{-1})^2
S T F ( z ) = b 1 + b 2 ( 1 − z − 1 ) + b 3 ( 1 − z − 1 ) 2
从直观上理解这个传递函数:
b1这个参数就在输入处,传递增益就是1;
b2这个参数,在第一级的输出,与b1的区别就是是否经过integrator,所以除以integrator后的最终传递就是一个一阶差分项;
同理,b3这个参数与b1的区别是否经过2个integrator,所以传函是二阶差分项;
如果在反馈路劲上增加之路,相当于同时在STF和NTF上增加极点
传递函数为
S T F ( z ) = B ( z ) A ( z ) N T F ( z ) = ( 1 − z − 1 ) 2 A ( z ) \begin{aligned}
STF(z)&=\frac{B(z)}{A(z)}\\[0.8em]
NTF(z)&=\frac{(1-z^{-1})^2}{A(z)}
\end{aligned}
S T F ( z ) N T F ( z ) = A ( z ) B ( z ) = A ( z ) ( 1 − z − 1 ) 2
这里
B ( z ) = b 1 + b 2 ( 1 − z − 1 ) + b 3 ( 1 − z − 1 ) 2 A ( z ) = 1 + ( a 1 + a 2 + a 3 − 2 ) z − 1 + ( 1 − a 2 − 2 a 3 ) z − 2 + a 3 z − 3 \begin{aligned}
B(z)&=b_1+b_2(1-z^{-1})+b_3(1-z^{-1})^2\\[0.8em]
A(z)&=1+(a_1+a_2+a_3-2)z^{-1}+(1-a_2-2a_3)z^{-2}+a_3z^{-3}
\end{aligned}
B ( z ) A ( z ) = b 1 + b 2 ( 1 − z − 1 ) + b 3 ( 1 − z − 1 ) 2 = 1 + ( a 1 + a 2 + a 3 − 2 ) z − 1 + ( 1 − a 2 − 2 a 3 ) z − 2 + a 3 z − 3
a3这一项,并没有增加NTF的零点(对噪声的抑制),却增加了NTF的极点(对高频噪声的放过)到3阶,所以一般不会增加。